ROMs

Amstrad gave permission for the CPC ROMs to be distributed freely as long as the copyright message is not changed and that the program acknowledges that Amstrad still holds copyright. Locomotive BASIC is copyright Locomotive Software.

Firmware

Version 1 (CPC 464)

The computer is mightier than the pen, the sword, and usually, the programmer.

Version 2 (CPC 664)
Version 3 (CPC 6128)
Version 4 (Plus)

Datasheets

Video
Sound
Floppy Disc Controller
CPU
Peripheral interface
DRAM 65536x1bit

Amstrad used various 64k*1bit DRAM in the CPC and Plus. They are all basically the same but with different max speed (from 120ns to 250ns).

SRAM 8192x1bit
  • 6264 64K-bit Static RAM. (used in the Multiface Two)
ROM
  • 27C64A 64K-bit CMOS EPROM (8Kx8). (can be found in the Multiface Two)
  • HN482764G 64K-bit EPROM (8Kx8). (can be found in the Multiface Two)
  • 27C512 (Microchip) EPROM 512Kbit (64K x 8) (supported by the Plus cartridge)
  • 27C1001 (ST) EPROM 1Mbit (128Kb x 8) (used in the Burnin Rubber Cartridge)
  • 27C2001 (ST) EPROM 2Mbit (256Kb x 8) (supported by the Plus cartridge)
  • 27C4001 (ST) EPROM 4Mbit (512Kb x 8) (supported by the Plus cartridge)
Custom Chips
  • PAL16L8 Family (AMD) (MMI was acquired by AMD in 1987)
  • WANTED: Gate Array (I'm still looking for this datasheet).
Misc. logic
  • 74HC04 - Hex inverter
  • 74LS08 - QUAD 2-Input Positive-AND gates
  • 74LS27 - TRIPLE 3-Input NOR gates
  • 74LS32 - QUAD 2-Input OR gates
  • 74LS38 - QUADRUPLE 2-Input Positive-NAND buffers with open-collector outputs (tristate)
  • 74LS74 - Dual Positive-Edge-Triggered D Flip-Flops with Preset, Clear and Complementary outputs
  • 74LS132 - QUAD 2-Input Schmitt trigger NAND gates
  • 74LS136 - QUAD 2-Iinput XOR gates with open collector outputs (tristate)
  • 74LS145 - BCD to Decimal Decoders/Drivers
  • 74LS153 - DUAL 4-Input Multiplexer
  • 74HC240 - OCTAL buffer/line driver; 3-state;inverting
  • 74LS244 - OCTAL buffer/line driver; 3-state
  • 74LS273 - OCTAL D-Type Flip-Flop with Clear
  • 74LS373 - OCTAL Transparent latch with 3-state outputs
  • 74LS365AN - Hex buffer (used in the Multiface Two)
  • 74LS670 - 4-by-4 Register File (used in the Multiface Two)

Manuals

Circuit Diagrams

Note: These electronic schematics come from the service manuals. Check them out for additionnal electronic informations.

Amstrad CPC

CPC 6128

CPC 6128

CPC 664

CPC 664

CPC 464

CPC 464

Interfaces

FDD Interface

FDD Interface

Monitors

GT64

GT64 (CPC464 Green screen)

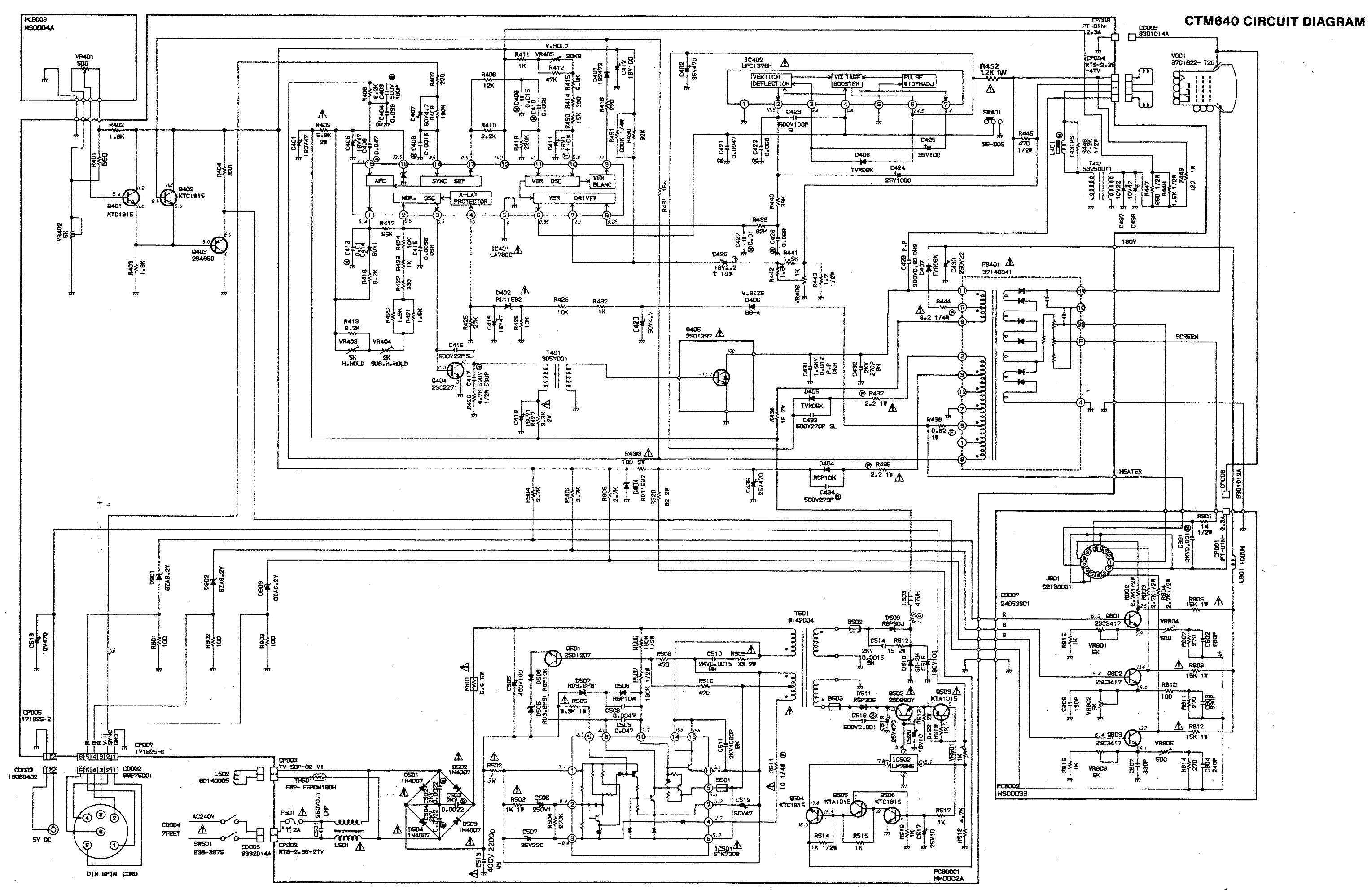
CTM640

CTM640 (CPC464 Color screen)

Amstrad Plus

6128Plus

ASIC Output Interface

Amstrad 6128Plus: Gate Array / Output Interface

CPU/FDD Interface

Amstrad 6128Plus: CPU/FDD Connection Interfaces

Video/Audio Interfaces

Amstrad 6128Plus: Video/Audio Interfaces

464Plus

GX-4000

Cartridge

System / Burnin Rubber

Soon

Monitors

Patents

Books

Misc.

documentations/repository.txt · Last modified: 2011/07/23 20:07 by grim